步進電機不是恒轉矩電機,運行轉速越高輸出轉矩會越小,所以關注電機保持轉矩參數的同時更應當關注在實際,工作轉速下電機的輸出轉矩(可參考動態力矩曲線圖);并且我們建議預留1.5倍的余量,以免出現過載情況下步進電機丟步的現象。
型號 | 保持力矩 (N.m) | 額定電流 (A) | 轉動慣量 (g.cm2) | 機身長 (mm) | 推薦驅動器 |
SMH2402-[2] | 1.5 | 4.0 | 340 | ≤56.0 | 低速S-266D 24~60VDC 高速ASA872R 24~80VAC
|
SMH2403-[2] | 2.1 | 4.0 | 490 | ≤68.0 | |
SMH2404-[2] | 3.2 | 5.0 | 690 | ≤85.0 | |
SMH2405-[2] | 3.7 | 5.0 | 1200 | ≤100.0 |
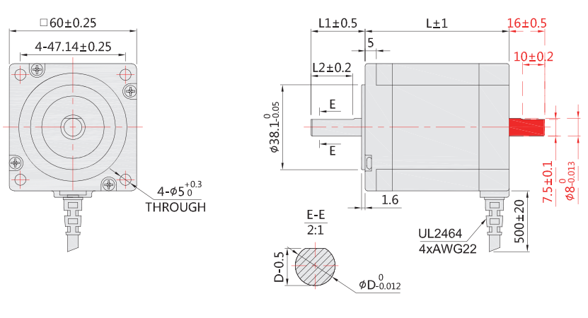
1、型號中的[2]:2為雙出軸;單出軸省略。
2、以上列表的“推薦驅動器”為脈沖型步進電機驅動器,還可以為客戶提供:總線型步進驅動器(RS485、CANopen、EtherCAT等通訊控制);智能型步進驅動器(電位器調速、內置PLC編程等功能)。





上一款產品:57mm二相開環步進電機
下一款產品:60mm二相開環步進電機